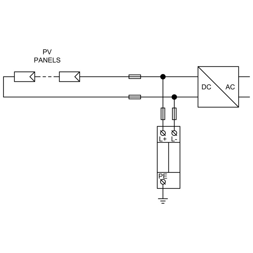
PVアレイの専用DC保護。
これらのタイプ2サージアレスタは、稲妻のイベントまたはスイッチング操作によって引き起こされる一時的な過電圧からのPV弦、バスバー、およびインバーター入力を保護します。それらは、正と負のPVバスバーの両方の等電位結合を保証し、すべての稲妻保護レベル(LPL I – IV)にわたってシステムの稼働時間を維持するのに役立ちます。
uまたはy接続 - デザインに必要なものを選択します。
U接続:PV DC回路の従来の保護トポロジ。
Y接続:PEに配置されたバリスタでは、作業導体が地球に耐性があり、PE導体を介して残留(漏れ)電流がゼロになり、EMCの挙動が改善され、迷惑電流パスが最小化されます。
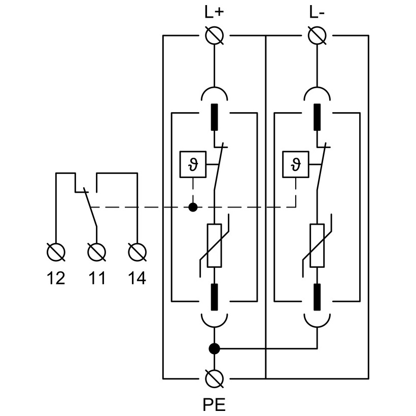
組み込みの安全性 - バックアップヒューズは必要ありません。
L+、L-、およびPEの間の特定のバリスタセクターには、それぞれ内部熱切断器が装備されています。バリストが終末期(過熱)に到達すると、切断されたトリップが目に見えて障害を示し、DC電流を中断します。彼らの特別な建設のおかげで、これらの逮捕者は別のバックアップヒューズ(システム調整の対象)なしで設置できます。
外部LPSの有無にかかわらず柔軟な展開。
必要な分離距離「S」が維持されている場合、外部稲妻保護システム(LPS)なしで、またはLPSを使用してPVシステムのDC側にインストールします。これは、新しいビルドとレトロフィットへの安全な統合をサポートします。
サービスと監視オプション。
M表示:迅速な交換用のリムーバブル(プラグイン)保護モジュールを備えたバージョン。
S指示:SCADA/PLC/アラームリレーへのステータスシグナル伝達のためのリモート監視接点を備えたバージョン。
典型的なアプリケーション
PV文字列、コンバイナー/リコンビナーボックス、およびインバーターDC入力
ユーティリティスケール、商業および産業、および屋上PVの設置
分離距離「s」が観察される外部LPSの有無にかかわらずサイト
一目で重要な機能
PV DCシステムのタイプ2サージアレスター(UまたはY接続)
y接続の利点:地球に耐性のある作業導体とゼロPE漏れ
バリスタパス上の内部熱切断器(L+、L-、PE)
DC電流障害の中断。バックアップヒューズは必要ありません
すべてのLPLレベルに適しています。等電位結合をサポートします
M =リムーバブルモジュール。 S =リモート監視の連絡先

