> 製品 > DC SPD > タイプ1+2 PV SPD | y接続|バックアップヒューズはありません| LPL III – IV
タイプ1+2 PV SPD | y接続|バックアップヒューズはありません| LPL III – IV
  • タイプ1+2 PV SPD | y接続|バックアップヒューズはありません| LPL III – IVタイプ1+2 PV SPD | y接続|バックアップヒューズはありません| LPL III – IV
  • タイプ1+2 PV SPD | y接続|バックアップヒューズはありません| LPL III – IVタイプ1+2 PV SPD | y接続|バックアップヒューズはありません| LPL III – IV
  • タイプ1+2 PV SPD | y接続|バックアップヒューズはありません| LPL III – IVタイプ1+2 PV SPD | y接続|バックアップヒューズはありません| LPL III – IV
  • タイプ1+2 PV SPD | y接続|バックアップヒューズはありません| LPL III – IVタイプ1+2 PV SPD | y接続|バックアップヒューズはありません| LPL III – IV

タイプ1+2 PV SPD | y接続|バックアップヒューズはありません| LPL III – IV

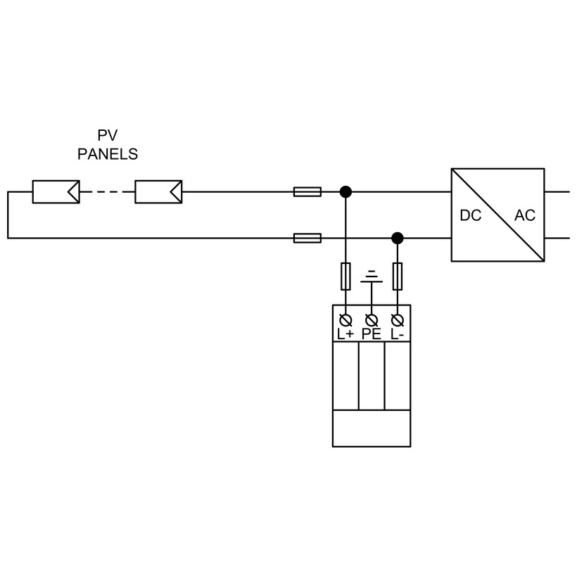
Y接続トポロジにおける太陽光発電DCシステムのタイプ1+2サージアレスタを組み合わせた。各バリスタパス(L+、L–、PE)には、DC電流を中断できる内部熱切断器が含まれており、バックアップヒューズなしで設置が可能になります。分離距離「S」を観察できない外部LPSを持つPVサイトを対象としています。 LPL III – IVに適しています。オプションには、M(リムーバブルモジュール)とDS(リモート監視)が含まれます。

お問い合わせを送信

製品説明

スペースと距離が限られている場合、PVアレイの直接ストライク能力保護。


これらの稲妻衝動電流およびサージアレスター(タイプ1+2)は、外部稲妻保護システム(LPS)を使用するが、必要な分離距離「s」を維持することができない太陽光発電システムのDC側の専用です。デバイスは、稲妻の衝動電流のタイプ1機能とタイプ2サージ抑制を組み合わせて、インバーター、弦、およびDCバスバーを保護します。

堅牢で障害耐性操作のためのY接続。


Yタイプの接続により、作業導体は地球の断層により耐性が高まり、接地条件と混合環境の要求においてPV DCネットワークを安定させるのに役立ちます。

統合安全性 - バックアップヒューズは必要ありません。


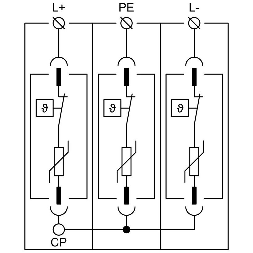
L+、L–、およびPEの間の各バリスタセクターには、内部熱切断器が装備されています。 Varistorの終末期(過熱)では、DC電流を中断し、明確な障害表示を提供するための切断されたトリップがあります。特別な切断要素構造により、別のバックアップヒューズなしで設置を可能にし、調整を簡素化し、スペースを節約できます。

包括的なPVシステム保護。


正と負のバスバーの等電位結合を確保することにより、これらの逮捕者は、大気排出からの一時的な過渡的な過電圧を減らします。これらは、稲妻保護レベルのLPL IIIおよびIVに適しており、屋上とC&Iの展開の大部分をカバーしています。

サービスと監視オプション。

M指示:迅速な交換と最小限のダウンタイムのためのリムーバブル(プラグイン)モジュール設計。

DS表示:PLC/SCADA/アラームリレーへのステータスシグナル伝達のためのリモート監視接点。

典型的なアプリケーション

PVコンバイナー/リコンビナーボックスとインバーターDC入力分離距離「S」が達成できない場合

外部LPを備えた屋上および商業/産業プラント

バックアップヒューズを追加せずに調整されたタイプ1+2保護を求めるレトロフィットプロジェクト


一目で重要な機能

タイプ1 + 2 PVサージアレスター(稲妻衝動 +サージ抑制)

Y接続 - 作業導体の地球断層に耐性

L+、L–、PEの内部熱切断器。障害のDC電流の中断

特別な切断器構造のおかげで、バックアップヒューズは必要ありません

分離距離「s」が観察されていない場合の外部LPSを持つPV DC側の場合

LPL III – IVに適しています

オプション:M =取り外し可能なモジュール、DS =リモート監視

ホットタグ: タイプ1+ 2 PV SPD、稲妻インパルス電流停止、Y接続、DC側PV、外部LPS、分離距離S、LPL III、LPL IV、内部熱切断器、バックアップヒューズなし、等電子ボンディング、L+ L- PE、リムーバブルモジュールM、リモートモニタリングDS、ダイレクトライトニングストライクストライク保護防止保護
関連カテゴリー
お問い合わせを送信
下記フォームよりお気軽にお問い合わせください。 24時間以内に返信いたします。
X
We use cookies to offer you a better browsing experience, analyze site traffic and personalize content. By using this site, you agree to our use of cookies. Privacy Policy
Reject Accept